◆ Parameter Teknikal:
| Model | Cyb100 | CYB150 |
| Diameter nominal | Φ 100 | Φ 150 |
| Jenis pemasangan | Cembung radial dipasang Antara muka selari | * | * |
| Cembung radial dipasang Antara muka lapan aksara | / | * |
| Jenis Flush Eksentrik Eksentrik | / | * |
| Mengukur julat | Tekanan pembezaan Mengukur julat KPA | Nominal Tekanan kerja KPA | Tekanan pembezaan Mengukur julat MPA | Nominal Tekanan kerja MPA |
| 0 ~ 10 | 60 | 0 ~ 0.16 | 1 |
| 0 ~ 16 | 100 | 0 ~ 0.25 | 1.6 |
| 0 ~ 25 | 160 | 0 ~ 0.4 | 2.5 |
| 0 ~ 40 | 250 | 0 ~ 0.6 | 4 |
| 0 ~ 60 | 400 | 0 ~ 1 | 6 |
| 0 ~ 100 | 600 | 0 ~ 1.6 | 10 |
| | | 0 ~ 2.5 | 10 |
| Kelas ketepatan | 2.5 |
| Benang pemasangan | M20 × 1.5 |
| Gunakan suhu ambien | -40 ℃~ 70 ℃ |
| Suhu medium yang akan digunakan | ≤ 60 ℃ |
| Penilaian rintangan getaran | V · H · 3 |
| Penarafan kandang | IP54 |
| berat | Kira -kira 1.0 kg |
| Bahan sistem impuls | 0CR17NI12MO2 、 SUS316 |
| sarung dan bahan lain | 1cr18ni9 、 SUS304 |
| Menguatkuasakan standard | JB/T 12015-2014 |
| Catatan: 1 . Benang bersama boleh disesuaikan mengikut keperluan pengguna. |
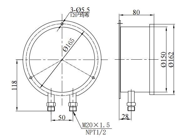
◆ Rupa dan saiz pemasangan:
| Cyb100 Antara muka selari | CYB150 Antara muka selari |
| CYB150 Antara muka bazi | CYB150 Axial Eccentricity |
◆ Prinsip struktur:
Instrumen ini mengamalkan struktur tiub bourdon bergdana, iaitu dua tiub bourdon dipasang dalam kedudukan simetri di kedua -dua belah pendakap "I". Bahagian atas dan bawah dari pendakap "I" adalah hujung bergerak dan hujung tetap masing -masing, dan pertengahan dihubungkan dengan sekeping musim bunga: dua tiub bourdon berada dalam keadaan selari, dan dihubungkan dengan sendi voltan yang tinggi dan rendah pada conduit masing -masing secara langsung ditetapkan pada mekanisme penghantaran gear.
◆ Prinsip Kerja: Berdasarkan unsur penderiaan tekanan, dua tiub bourdon dengan kekakuan yang sama digunakan, sehingga mereka terpaksa menghasilkan daya pekat yang sama di bawah medium yang diukur untuk bertindak pada pendakap bergerak masing -masing, kerana kedua -dua belah bilah musim bunga tidak menghasilkan momen yang sama. kedudukan.
Apabila tekanan yang berbeza digunakan (secara amnya hujung tekanan tinggi adalah lebih tinggi daripada hujung tekanan rendah) , daya kedua-dua tiub bourdon yang bertindak pada sokongan bergerak tidak sama, supaya anjakan yang sama dihasilkan masing-masing, dan mekanisme penghantaran gear dipandu dan diperkuatkan, dan nilai tekanan perbezaan antara kedua-dua ditunjukkan selepas penunjuk yang ditunjukkan selepas penunjuk adalah ditunjukkan selepas penunjuk adalah ditunjukkan selepas penunjuk adalah ditunjukkan selepas penunjuk adalah ditunjukkan selepas penunjuk adalah ditunjukkan selepas penunjuk adalah ditunjukkan selepas penunjuk adalah ditunjukkan selepas penunjuk adalah ditunjukkan selepas penunjuk adalah ditunjukkan selepas penunjuk adalah ditunjukkan selepas penunjuk adalah ditunjukkan selepas penunjuk adalah ditunjukkan selepas ditunjukkan selepas penunjuk adalah ditunjukkan selepas penunjuk adalah ditunjukkan selepas penunjuk adalah ditunjukkan selepas penunjuk ditunjukkan selepas penunjuk adalah ditunjukkan selepas penunjuk adalah ditunjukkan selepas penunjuk adalah ditunjukkan selepas penunjuk adalah ditunjukkan selepas penunjuk adalah ditunjukkan selepas ditunjukkan selepas pointer adalah ditunjukkan selepas pointer adalah ditunjukkan selepas pointer selepas ditunjuk selepas penunjuk adalah ditunjuk.
◆ L.angkah berjaga -jaga:
1 Instrumen hendaklah dipasang secara menegak pada kedudukan yang berada pada tahap yang sama dengan titik pengukuran, jika tidak, ralat tambahan yang disebabkan oleh perbezaan tahap cecair mesti diambil kira.
2 . Penyambung instrumen ditandai dengan " H "Atau" "Adakah akhir voltan tinggi, dan yang ditandai dengan" L "Atau" - "Adakah akhir voltan rendah, yang tidak dapat diterbalikkan semasa pemasangan.
3 . Apabila instrumen mengukur tekanan pembezaan, nilai tekanan pembezaan boleh digunakan dalam 75% daripada had atas julat skala, dan nilai tekanan statik maksimum sistem tidak boleh melebihi nilai tekanan statik maksimum yang ditentukan oleh instrumen.
4. Seperti yang ditunjukkan dalam angka 4 , injap keseimbangan (keselamatan) (injap 1 ) harus ditetapkan di hadapan pelabuhan input tekanan tinggi dan rendah instrumen semasa pemasangan, dan harus berada di kedudukan terbuka, dan injap baki harus ditutup setelah injap 2 and injap 3 semuanya dibuka.
5 . Sebelum digunakan, instrumen itu perlu mengesahkan tahap hakisan yang disebabkan oleh medium yang diukur, supaya tidak menyebabkan kerosakan kakisan awal ke tiub Bourdon.
◆ Arahan pesanan:
Semasa memesan instrumen, pengguna mesti menunjukkan:
1. Model dan nama, pelbagai tekanan perbezaan, tekanan statik maksimum, unit pengukuran, tahap ketepatan;
2. Bahan tiub pemasangan dan bourdon;
3. Saiz benang bersama: konvensional M20 × 1.5 , NPT1/2 (atau penetapan pelanggan);
4. Nota: Tiga kumpulan injap boleh disesuaikan bagi pihak pengguna (injap 1 ~ 3 dalam angka 4 )