◆ Model: YZS102
◆ Model: YZS102
◆ Parameter teknikal:
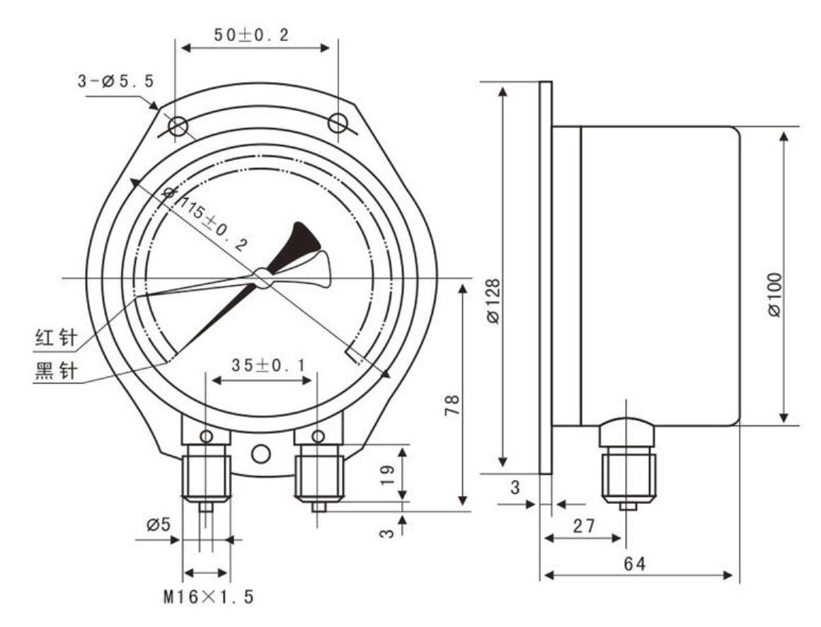
| Model | YZS102 |
| Diameter nominal | Φ 100 |
| Benang pemasangan | M20 × 1.5 ; G3/8 |
| Kelas ketepatan | 1.6 |
| Mengukur julat ( KPA ) | 0 ~ 1000 0 ~ 1200 0 ~ 1600 0 ~ 2500 |
| Syarat Penggunaan Alam Sekitar | Suhu: -5 ° C ~ 60 ° C. Kelembapan relatif: tidak lebih daripada 80%. |
| Kesan suhu | (Penyimpangan dari 20 ° C ± 5 ° C semasa menggunakan) tidak lebih besar daripada 0.4%/10 ° C. |
| berat | 0.7kg |
| Penilaian rintangan getaran | V · H · 3 |
| Perlindungan ingress | IP54 |
| Menguatkuasakan standard | GB/T1226 |
| Catatan: 1 . Benang bersama boleh disesuaikan mengikut keperluan pengguna. | |
◆ Dimensi luaran:
Wuxi Huihua Special Instrumentation Co., Ltd. was established in December 2001, the registered capital is 5 million yuan, the existing staff of more than 50 small and medium-sized joint-stock enterprises.
Syarikat ini mengkhususkan diri dalam pengeluaran pelbagai jenis instrumen khas, alternatif kepada penyetempatan instrumen yang diimport. Untuk tolok tekanan seismik, tolok tekanan hubungan elektrik seismik, tolok tekanan keluli tahan karat, tolok tekanan tahan karat diafragma, tolok tekanan marin dan siri lain sebagai produk utama. Berdasarkan instrumen medan, kami telah membangunkan pelbagai jenis pemancar tekanan, pengawal tekanan, tolok tekanan digital dan sebagainya. Terdapat lebih daripada 30 siri dan 3000 spesifikasi. Produk bekalan digunakan secara meluas dalam petroleum, kimia, kertas, metalurgi, perlombongan, serat kimia, kuasa elektrik, makanan, perlindungan alam sekitar, getah dan plastik, hidraulik dan banyak industri lain, dan lebih daripada 2,000 pelanggan domestik untuk mewujudkan hubungan yang mesra dengan perusahaan besar dan sederhana kebangsaan untuk mewujudkan perkongsian yang baik, memenangi majoriti pujian, memenangi majoriti pengguna.
Sebagai Siri YZS Tolok Tekanan Double-Tube Double Manufacturers, proses kawalan kualiti yang ketat disediakan di seluruh sistem pembuatan untuk memastikan kualiti yang konsisten dihasilkan.
Tolok tekanan adalah antara instrumen paling asas dalam mana-mana persekitaran industri, mekanikal atau proses. Mereka menyediakan pengukuran masa nyata tekanan bendalir atau gas, membolehkan pengendali memantau prest......
Baca lebih lanjutMemahami Asas Tolok Tekanan Tolok tekanan ialah instrumen penting yang digunakan merentasi banyak industri untuk mengukur dan memaparkan tekanan gas atau cecair dalam sistem. Peranti ini berfungsi dengan fung......
Baca lebih lanjutPemancar tekanan berbeza berdiri sebagai instrumen penting dalam sistem kawalan, pengukuran dan pemantauan proses industri moden. Peranti ini mengukur perbezaan tekanan antara dua titik dalam sistem dan menukar ukuran......
Baca lebih lanjut