◆ Model: yjy100 yjy150
◆ Penggunaan: Tekanan mutlak merujuk kepada tekanan yang lebih tinggi daripada tekanan mutlak sifar dengan tekanan mutlak sifar (vakum mutlak) sebagai rujukan. Nilai tekanan mutlak boleh dinyatakan oleh formula berikut:
Nilai tekanan mutlak = vakum (tekanan negatif) nilai tekanan atmosfera
Tolok tekanan mutlak digunakan terutamanya untuk memantau atau mengukur tekanan mutlak dalam beberapa peralatan vakum (mis. Jentera pembungkusan vakum, peralatan untuk memantau tekanan pemeluwapan dan tekanan wap cecair, dan sebagainya).
◆ Tekanan kerja: Beban statik digunakan sehingga 3/4 nilai had atas pengukuran, beban pertukaran digunakan sehingga 2/3 dari nilai had atas pengukuran, dan tekanan pendek masa digunakan sehingga nilai had atas pengukuran.
◆ Parameter teknikal :
| nombor model | Yjy100 | YJY150 | |
| Diameter nominal | Φ 100 | Φ 150 | |
| Borang pemasangan | Ⅰ | * | * |
| Ⅱ | * | * | |
| Ⅳ | * | * | |
| Ⅵ | * | * | |
| Thread penyambung | M20 × 1.5 | ||
| Kelas ketepatan | 0.4 ; 1.0 ; 1.6 ; 2.5 | ||
| Julat pengukuran ( MPA ) | 0 ~ 0.1 0 ~ 0.16 0 ~ 0.25 0 ~ 0.4 0 ~ 0.6 0 ~ 1 0 ~ 1.6 0 ~ 2.5 0 ~ 4 0 ~ 6 0 ~ 10 | ||
| Syarat Penggunaan Alam Sekitar | Temp: -40 ℃~ 70 ℃ (Kelas Ketepatan : 0.4 ) -50 ℃~ 160 ℃ (Kelas Ketepatan : 1.0 ~ 2.5 ) kelembapan relatif : ≦ 80 % | ||
| Penilaian Getaran | V · H · 2 ; V · H · 3 | ||
| kelas perlindungan | IP65 | ||
| Piawaian pelaksanaan | | ||
| Nota: 1. Benang bersama boleh disesuaikan mengikut keperluan pengguna. | |||
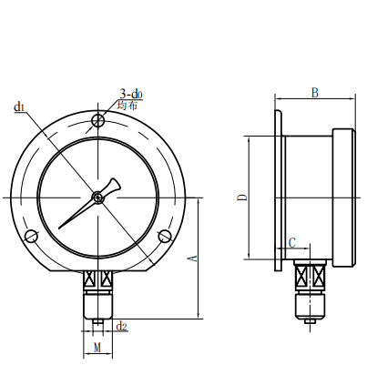
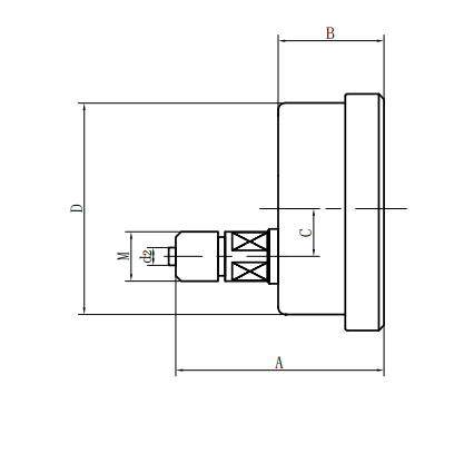
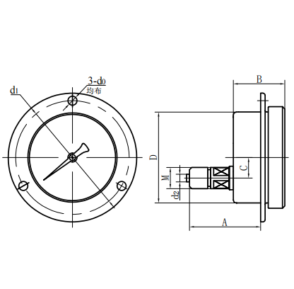
◆ Dimensi luaran:
|
Jenis Langsung Radial (ⅰ) | Jenis langsung eksentrik paksi (ⅱ) |
| Jenis langsung konsentrik paksi (iii) | Jenis memasukkan eksentrik paksi (iv) |
| nombor model | Dimensi keseluruhan ( mm ) | |||||||
| A | B | C | D | d0 | d1 | d2 | M | |
| Yjy100 -Ⅰ | 90 | 48 | 15 | Φ 100 | / | / | Φ 6 | M20 × 1.5 |
| Yjy100 -Ⅱ | 83 | 44 | 34 | Φ 100 | / | / | Φ 6 | M20 × 1.5 |
| Yjy100 -Ⅳ | 68 | 44 | 34 | Φ 100 | Φ 6 | Φ 118 | Φ 6 | M20 × 1.5 |
| Yjy100 -Ⅵ | 90 | 48 | 15 | Φ 100 | Φ 6 | Φ 118 | Φ 6 | M20 × 1.5 |
| YJY150 -Ⅰ | 117 | 51 | 16.5 | Φ 150 | / | / | Φ 6 | M20 × 1.5 |
| YJY150 -Ⅱ | 92 | 52 | 55 | Φ 150 | / | / | Φ 6 | M20 × 1.5 |
| YJY150 -Ⅳ | 69 | 52 | 55 | Φ 150 | Φ 6 | Φ 165 | Φ 6 | M20 × 1.5 |
| YJY150 -Ⅵ | 117 | 53 | 28 | Φ 150 | Φ 6 | Φ 165 | Φ 6 | M20 × 1.5 |
























