◆ Model: y¨-ml y¨-mf y¨-mg y¨-mz y¨-mk y¨-mn y¨-ms
◆ Permohonan: Oleh kerana struktur pengukuran tidak langsung, tolok tekanan diafragma sesuai untuk mengukur tekanan cecair, gas atau pepejal mengalir granular dengan kelikatan yang tinggi, mudah untuk mengkristal, kakisan yang kuat dan suhu tinggi. Diafragma pengasingan mempunyai pelbagai bahan untuk menyesuaikan diri dengan pelbagai media menghakis yang berbeza.
Instrumen ini terutamanya digunakan dalam serat kimia, serat sintetik, petroleum, pencelupan, alkali, asid, makanan, perubatan, pembinaan, perlombongan, peleburan dan industri lain.
Kepala alat pengukur jenis instrumen ini boleh digunakan dalam pelbagai siri: tolok tekanan umum, tolok tekanan tahan kejutan, pelbagai tolok tekanan hubungan elektrik, pelbagai tolok tekanan sentuhan elektrik yang tahan kejutan, pemancar tekanan, tolok tekanan jauh, tolok tekanan digital, pengawal tekanan dan sebagainya.
◆ Prinsip Struktur:
Instrumen ini adalah pengukuran tidak langsung. Penghiburan diafragma pengasingan di bawah tekanan medium yang diukur, cecair pengedap ditekan, dan tekanan dihantar ke tekanan.
Cecair pengedap ditekan, dan tekanan dijalankan ke instrumen pengesanan, yang menunjukkan nilai tekanan sederhana yang diukur.
◆ Parameter teknikal :
| Model kepala meter | Pelbagai jenis instrumen tekanan, pemancar tekanan, pengawal tekanan, dll. | |||
| Kelas ketepatan | 1.6 ; 2.5 | |||
| Kelas ketepatan ( MPA ) | 0 ~ 0.1 0 ~ 0.16 0 ~ 0.25 0 ~ 0.4 0 ~ 0.6 0 ~ 1 0 ~ 1.6 0 ~ 2.5 0 ~ 4 0 ~ 6 0 ~ 10 0 ~ 16 0 ~ 25 0 ~ 40 | |||
| Bahan diafragma | nama samaran | Bahan | nama samaran | Bahan |
| 1 | 0CR18NI12MO2 | 5 | Hastelloy C (H276C) | |
| 2 | SUS304 | 6 | Aloi Monel (CU30NI70) | |
| 3 | SUS316 | 7 | Tantalum (TA) | |
| 4 | SUS316L | 8 | Fluoroplastik (PTFE) | |
| Bahan Isolator | 1cr18ni9; 304; 316; 316L; F4; PVC, dll. | |||
| Bahan gasket pengedap | Nbr; Getah silikon perubatan; PTFE; Grafit; Fluoroelastomer; dll. | |||
| Mengisi cecair pengaliran | Minyak silikon metil, minyak sayuran, gliserin, minyak fluorinasi, dll. | |||
| kesan suhu | Kerana pengembangan terma cecair konduktif dan ketegaran diafragma berkaitan dengan suhu, nilai ralat adalah 0.1%/° C apabila suhu operasi menyimpang dari 20 ± 5 ° C. | |||
| perlindungan kakisan | Prestasi ini termasuk ciri -ciri kakisan alam sekitar dan medium pengukur, dan bahan isolator, lembaran diafragma dan mesin basuh pengedap boleh dipilih mengikut syarat penggunaan. | |||
| perbezaan tahap | Tolok tekanan diafragma yang disambungkan dalam pemasangan jika titik pengukur dan tolok tekanan berada pada ketinggian yang berbeza, perbezaan tahap cecair yang dihasilkan oleh perbezaan tekanan △ P akan menjejaskan nilai diukur instrumen, formula adalah: △ P = graviti spesifik perbezaan cecair × cecair. | |||
| Piawaian pelaksanaan | JB/T 8624 | |||
| Nota: 1, benang penyambung boleh disesuaikan mengikut keperluan pengguna; 2 、 Menyambung Flange boleh disesuaikan mengikut keperluan pengguna Flange Standard. | ||||
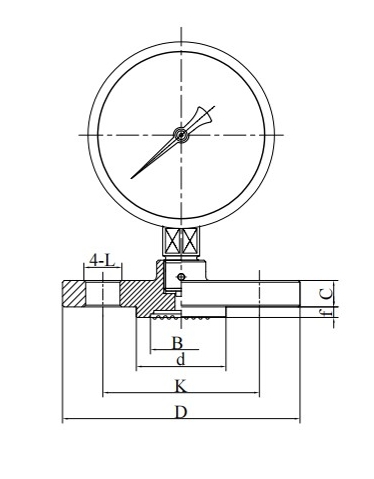
◆ Jenis Isolator Saiz dan Skema Pemasangan:
| (Ml) antara muka berulir | (Mf) Buka flange muka |
























