◆ Model: Y40 Y50 Y60 Y75 Y100 Y150 Y200 Y250
◆ Penggunaan: Siri instrumen ini sesuai untuk mengukur tekanan cecair, gas atau stim yang tidak mempunyai bahaya letupan, tidak mengkristal, tidak menguatkan, dan tidak mempunyai kesan menghakis pada aloi tembaga dan tembaga.
◆ Dalam aplikasi praktikal, mengikut ciri -ciri khas pelbagai media (seperti larangan minyak, pencegahan kebakaran, rintangan kakisan, dan sebagainya), keperluan instrumen adalah berbeza, jadi siri instrumen ini memperoleh banyak instrumen khas yang sepadan, diameter nominal, jenis pemasangan, thread penyambung, tahap ketepatan,
1.1 Sesuai untuk mengukur tekanan media mudah terbakar dan letupan. Adalah dilarang sama sekali untuk menghubungi bahan -bahan mudah terbakar. Rawatan degreasing dibuat sebelum meninggalkan kilang, dan ia diuji tanpa gris.
1.1.1 yo siri tekanan oksigen
1.1.2 yh siri tekanan hidrogen tekanan
1.1.3 YY Series Acetylene Tekanan Tolok
1.2 Bahan yang digunakan adalah tahan terhadap kakisan medium atau instrumen tidak mempunyai pengaruh pada medium, dan memastikan bahawa unsur -unsur dan antara muka yang mengesan bersih dan bebas daripada gris.
1.2.1 YA Siri Tekanan Tekanan Ammonia
1.2.2 YDQ Series Nitrogen Tekanan Tolok
◆ Parameter teknikal :
| Nombor model | Y40 | Y50 | Y60 | Y75 | Y100 | Y150 | Y200 | Y250 | |
| Diameter nominal | Φ 40 | Φ 50 | Φ 60 | Φ 75 | Φ 100 | Φ 150 | Φ 200 | Φ 250 | |
| Borang pemasangan | Ⅰ | * | * | * | * | * | * | * | * |
| Ⅱ | / | / | * | / | * | * | * | * | |
| Ⅲ | * | * | * | * | / | / | / | / | |
| Ⅳ | / | / | * | / | * | * | / | / | |
| Ⅴ | * | * | * | * | / | / | / | / | |
| Ⅵ | / | / | * | * | * | * | / | / | |
| Thread penyambung | M10 × 1 | M14 × 1.5 | M20 × 1.5 | ||||||
| Kelas ketepatan | 2.5 | 1.6 | |||||||
| Julat pengukuran ( MPA ) | Kosong: -0.1 ~ 0 Tekanan vakum: -0.1 ~ 0.06 -0.1 ~ 0.15 -0.1 ~ 0.3 -0.1 ~ 0.5 -0.1 ~ 0.9 -0.1 ~ 1.5 -0.1 ~ 2.4 Tekanan : 0 ~ 0.1 0 ~ 0.16 0 ~ 0.25 0 ~ 0.4 0 ~ 0.6 0 ~ 1 0 ~ 1.6 0 ~ 2.5 0 ~ 4 0 ~ 6 0 ~ 10 0 ~ 16 0 ~ 25 0 ~ 40 0 ~ 60 0 ~ 100 0 ~ 160 | ||||||||
| Syarat Penggunaan Alam Sekitar | Temp: -40 ℃~ 70 ℃ | ||||||||
| Penilaian Getaran | V · H · 3 | ||||||||
| Bahan tiub Borden | QSN4-0.3 | ||||||||
| Kelas perlindungan | IP54 、 IP65 | ||||||||
| Piawaian pelaksanaan | GB/T 1226 | ||||||||
| Nota: 1. Benang bersama boleh disesuaikan mengikut keperluan pengguna. | |||||||||
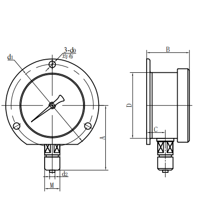
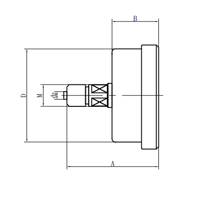
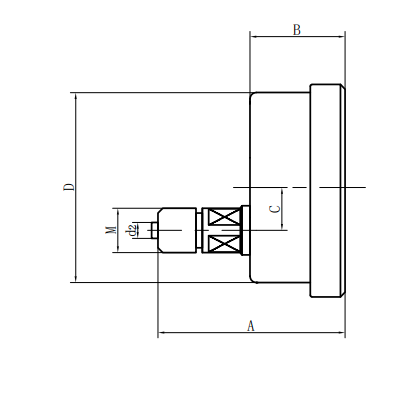
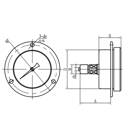
◆ Dimensi luaran:
| Jenis Langsung Radial (ⅰ) | Jenis langsung eksentrik paksi (ⅱ) |
| Jenis langsung konsentrik paksi (iii) | Jenis memasukkan eksentrik paksi (iv) |
| Jenis penyisipan konsentrik paksi (v) | Jenis cembung radial (vi) |
| Nombor model | Dimensi keseluruhan ( mm ) | |||||||
| A | B | C | D | d0 | d1 | d2 | M | |
| Y40 -Ⅰ | 38 | 25 | 8.5 | Φ 41 | / | / | Φ 3.5 | M10 × 1 |
| Y40 -Ⅲ | 45 | 26 | / | Φ 41 | / | / | Φ 3.5 | M10 × 1 |
| Y40 -Ⅴ | 38 | 26 | / | Φ 41 | Φ 3.5 | Φ 53 | Φ 3.5 | M10 × 1 |
| Y50 -Ⅰ | 50 | 29 | 9.5 | Φ 52 | / | / | Φ 4 | M10 × 1 |
| Y50 -Ⅲ | 54 | 29 | / | Φ 52 | / | / | Φ 4 | M10 × 1 |
| Y50 -Ⅴ | 47 | 29 | / | Φ 52 | Φ 4 | Φ 64 | Φ 4 | M10 × 1 |
| Y60 -Ⅰ | 54 | 30 | 12 | Φ 60 | / | / | Φ 5 | M14 × 1.5 |
| Y60 -Ⅱ | 63 | 34 | 18 | Φ 60 | / | / | Φ 5 | M14 × 1.5 |
| Y60 -Ⅲ | 58 | 30 | / | Φ 60 | / | / | Φ 5 | M14 × 1.5 |
| Y60 -Ⅳ | 45 | 34 | 18 | Φ 60 | Φ 5 | Φ 75 | Φ 5 | M14 × 1.5 |
| Y60 -Ⅴ | 45 | 34 | / | Φ 60 | Φ 5 | Φ 75 | Φ 5 | M14 × 1.5 |
| Y60 -Ⅵ | 54 | 30 | 12 | Φ 60 | Φ 5 | Φ 75 | Φ 5 | M14 × 1.5 |
| Y75 -Ⅰ | 62 | 31 | 10 | Φ 75 | / | / | Φ 5 | M14 × 1.5 |
| Y75 -Ⅲ | 54 | 32 | / | Φ 75 | / | / | Φ 5 | M14 × 1.5 |
| Y75 -Ⅴ | 54 | 32 | / | Φ 75 | Φ 5 | Φ 91 | Φ 5 | M14 × 1.5 |
| Y75 -Ⅵ | 62 | 32 | 10 | Φ 75 | Φ 5 | Φ 91 | Φ 5 | M14 × 1.5 |
| Y100 -Ⅰ | 89 | 44 | 17 | Φ 100 | / | / | Φ 6 | M20 × 1.5 |
| Y100 -Ⅱ | 83 | 44 | 30 | Φ 100 | / | / | Φ 6 | M20 × 1.5 |
| Y100 -Ⅳ | 68 | 44 | 30 | Φ 100 | Φ 6 | Φ 118 | Φ 6 | M20 × 1.5 |
| Y100 -Ⅵ | 89 | 44 | 18 | Φ 100 | Φ 6 | Φ 118 | Φ 6 | M20 × 1.5 |
| Y150 -Ⅰ | 115 | 49 | 17 | Φ 150 | / | / | Φ 6 | M20 × 1.5 |
| Y150 -Ⅱ | 88 | 49 | 55 | Φ 150 | / | / | Φ 6 | M20 × 1.5 |
| Y150 -Ⅳ | 85 | 49 | 55 | Φ 150 | Φ 6 | Φ 165 | Φ 6 | M20 × 1.5 |
| Y150 -Ⅵ | 115 | 49 | 18 | Φ 150 | Φ 6 | Φ 165 | Φ 6 | M20 × 1.5 |
| Y200 -Ⅰ | 140 | 53 | 20 | Φ 200 | / | / | Φ 6 | M20 × 1.5 |
| Y200 -Ⅱ | 92 | 53 | 53 | Φ 200 | / | / | Φ 6 | M20 × 1.5 |
| Y250 -Ⅰ | 165 | 53 | 20 | Φ 250 | / | / | Φ 6 | M20 × 1.5 |
| Y250 -Ⅱ | 92 | 53 | 53 | Φ 250 | / | / | Φ 6 | M20 × 1.5 |

























