◆ Model: YJ150 YJ150a
◆ Penggunaan: Siri instrumen ini digunakan terutamanya untuk menentukur alat pengukur tekanan biasa industri atau sivil. Ia juga boleh digunakan untuk mengukur dengan tepat tekanan media yang tidak menghakimi, tidak menghakimi dan tidak bersekutu seperti aloi tembaga dan keluli struktur aloi di tapak proses.
Siri instrumen ini dalam garis skala di bawah penetapan cincin cermin, yang digunakan boleh membuat ralat bacaan diminimumkan. Jenis dengan peranti sifar, dalam proses penggunaan, jika anda mendapati bahawa penunjuk tidak kembali ke sifar, tanpa tekanan media boleh menjadi penunjuk yang halus, sehingga ia kembali ke sifar untuk mengurangkan kesilapan.
◆ Parameter teknikal :
| nombor model | YJ150 | YJ150A | |
| Diameter nominal | Φ 150 | ||
| Borang pemasangan | Ⅰ | * | * |
| Ⅳ | * | * | |
| Thread penyambung | M20 × 1.5 | ||
| Kelas ketepatan | 0.4 | ||
| Julat pengukuran ( MPA ) | Kosong: -0.1 ~ 0 Tekanan vakum: -0.1 ~ 0.06 -0.1 ~ 0.15 -0.1 ~ 0.3 -0.1 ~ 0.5 -0.1 ~ 0.9 -0.1 ~ 1.5 -0.1 ~ 2.4 Tekanan : 0 ~ 0.1 0 ~ 0.16 0 ~ 0.25 0 ~ 0.4 0 ~ 0.6 0 ~ 1 0 ~ 1.6 0 ~ 2.5 0 ~ 4 0 ~ 6 0 ~ 10 0 ~ 16 0 ~ 25 0 ~ 40 0 ~ 60 0 ~ 100 | ||
| Syarat Penggunaan Alam Sekitar | Temp: 20 ℃ ± 3 ℃ | ||
| Penilaian Getaran | V · H · 2 | ||
| kelas perlindungan | IP54 | ||
| Piawaian pelaksanaan | GB/T 1227 | ||
| Nota: 1. Benang bersama boleh disesuaikan mengikut keperluan pengguna. | |||
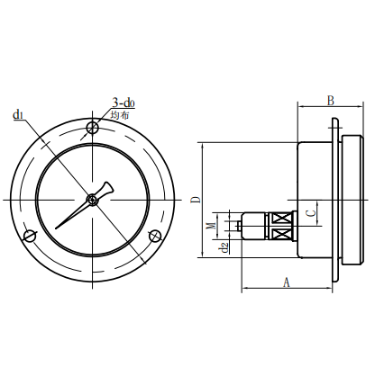
◆ Dimensi luaran:
| Jenis Langsung Radial (ⅰ) | Jenis langsung eksentrik paksi (ⅱ) |
| nombor model | Dimensi keseluruhan ( mm ) | |||||||
| A | B | C | D | d0 | d1 | d2 | M | |
| YJ150- Ⅰ YJ150A- Ⅰ | 113 | 51 | 21 | Φ 150 | / | / | Φ 6 | M20 × 1.5 |
| YJ150- Ⅳ YJ150A- Ⅳ | 79 | 51 | 55 | Φ 150 | Φ 6 | Φ 165 | Φ 6 | M20 × 1.5 |


















