◆ Model: YC40 YC50 YC60 YC75 YC100 YC150
◆ Penggunaan: Siri instrumen ini sesuai untuk mengukur tekanan cecair, gas, stim dan media cecair lain tanpa bahaya letupan, penghabluran atau pemejalan pada kapal dan peralatan yang berkaitan.
Siri instrumen ini mempunyai jenis bercahaya, dalam skala utama dail dan hujung depan penunjuk disalut dengan ejen bercahaya yang aktif atau pasif, jadi nilai tekanan dapat dibaca dengan jelas dalam kegelapan.
Cangkang siri instrumen ini dimeteraikan sepenuhnya dan mempunyai rintangan tertentu terhadap kakisan air laut, dengan itu melindungi komponen dalaman instrumen dari kerosakan dan kakisan oleh gelombang dan air laut.
Siri instrumen ini juga boleh diisi dengan minyak redaman yang rendah dalam shell, dengan keupayaan untuk menahan getaran persekitaran kerja yang disebabkan oleh cuaca buruk di laut dan denyutan tekanan sederhana.
Siri instrumen ini digunakan terutamanya dalam perkapalan luar pesisir, medan minyak dan gas luar pesisir, platform penggerudian luar pesisir, perlombongan dasar laut, navigasi pedalaman dan industri lain.
◆ Parameter teknikal :
| Nombor model | YLM60 | YLM100 | YLM150 | |
| Diameter nominal | Φ 60 | Φ 100 | Φ 150 | |
| Jenis pemasangan | Ⅰ | * | * | * |
| Ⅱ | * | * | * | |
| Ⅲ | * | / | / | |
| Ⅳ | * | * | * | |
| Ⅴ | * | / | / | |
| Ⅵ | * | * | * | |
| Thread penyambung | M14 × 1.5 | M20 × 1.5 | ||
| Kelas ketepatan | 2.5 | 1.6 | ||
| Julat pengukuran ( MPA ) | Kosong: -0.1 ~ 0 Tekanan vakum: -0.1 ~ 0.06 -0.1 ~ 0.15 -0.1 ~ 0.3 -0.1 ~ 0.5 -0.1 ~ 0.9 -0.1 ~ 1.5 -0.1 ~ 2.4 Tekanan : 0 ~ 0.1 0 ~ 0.16 0 ~ 0.25 0 ~ 0.4 0 ~ 0.6 0 ~ 1 0 ~ 1.6 0 ~ 2.5 0 ~ 4 0 ~ 6 0 ~ 10 0 ~ 16 0 ~ 25 0 ~ 40 0 ~ 60 0 ~ 100 、 0 ~ 160 、 0 ~ 250 |
| Syarat Penggunaan Alam Sekitar | Temp: -40 ℃~ 70 ℃ |
| Penilaian Getaran | Jenis Normal: V · H · 3 ; Jenis seismik (jenis penuh cecair) : V · H · 4 |
| Bahan tiub Borden | QSN4-0.3 、 Ocr18ni12mo2ti |
| Bahan kes dan penyambung | 1cr18ni9ti ; SUS304 |
| kelas perlindungan | IP65 |
| Piawaian pelaksanaan | GB/T 1226 ; JB/T 6804 |
| Nota: 1. Benang bersama boleh disesuaikan mengikut keperluan pengguna. | |
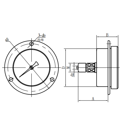
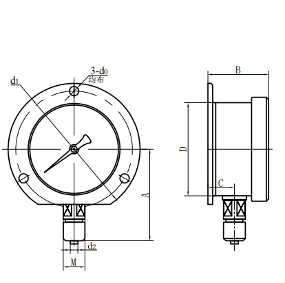
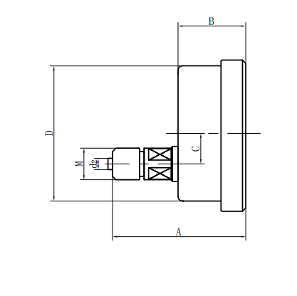
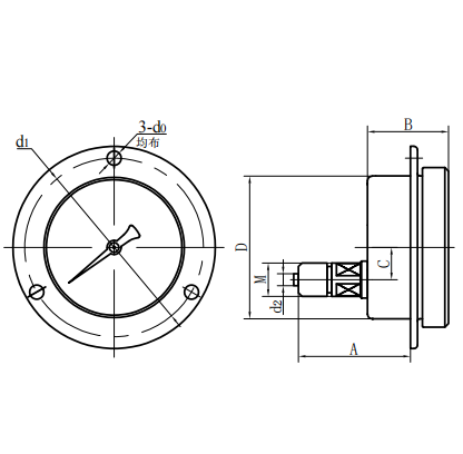
◆ Dimensi luaran:
| Jenis Langsung Radial (ⅰ) | Jenis langsung eksentrik paksi (ⅱ) |
| Jenis langsung konsentrik paksi (iii) | Jenis memasukkan eksentrik paksi (iv) |
| Jenis penyisipan konsentrik paksi (v) | Jenis cembung radial (vi) |
| nombor model | Dimensi Keseluruhan (mm) | |||||||
| A | B | C | D | d0 | d1 | d2 | M | |
| YC60- Ⅰ | 56 | 33 | 11 | Φ 60 | / | / | Φ 5 | M14 × 1.5 |
| YC60- Ⅱ | 61 | 32.5 | 18 | Φ 60 | / | / | Φ 5 | |
| YC60- Ⅲ | 61 | 32.5 | / | Φ 60 | / | / | Φ 5 | M14 × 1.5 |
| YC60- Ⅳ | 55 | 32.5 | 18 | Φ 60 | Φ 5 | Φ 75 | Φ 5 | |
| YC60- Ⅴ | 55 | 32.5 | / | Φ 60 | Φ 5 | Φ 75 | Φ 5 | M14 × 1.5 |
| YC60- Ⅵ | 56 | 33 | 11 | Φ 60 | Φ 5 | Φ 75 | Φ 5 | M14 × 1.5 |
| YC100- Ⅰ | 90 | 48 | 15 | Φ 100 | / | / | Φ 6 | M20 × 1.5 |
| YC100- Ⅱ | 83 | 44 | 34 | Φ 100 | / | / | Φ 6 | M20 × 1.5 |
| YC100- Ⅳ | 68 | 44 | 34 | Φ 100 | Φ 6 | Φ 118 | Φ 6 | M20 × 1.5 |
| YC100- Ⅵ | 90 | 48 | 15 | Φ 100 | Φ 6 | Φ 118 | Φ 6 | M20 × 1.5 |
| YC150- Ⅰ | 117 | 51 | 16.5 | Φ 150 | / | / | Φ 6 | M20 × 1.5 |
| YC150- Ⅱ | 92 | 52 | 55 | Φ 150 | / | / | Φ 6 | M20 × 1.5 |
| YC150- Ⅳ | 69 | 52 | 55 | Φ 150 | Φ 6 | Φ 165 | Φ 6 | M20 × 1.5 |
| YC150- Ⅵ | 117 | 53 | 28 | Φ 150 | Φ 6 | Φ 165 | Φ 6 | M20 × 1.5 |


















