◆ Model: YG60 YG100 YG150
◆ Penggunaan: Semua bahagian siri alat pengukur ini diperbuat daripada keluli tahan karat, dan bahagian utama dibuat daripada 1Cr18NI9, OCR18NI12MO2TI, SUS316, SUS316L, dan lain -lain. Kimpalan setiap bahagian dibuat oleh proses khas. Antaranya, tolok tekanan suhu tinggi yang tahan karat mempunyai prestasi tinggi dan tahan karat yang sangat tinggi, sesuai untuk persekitaran yang menghakis, dapat mengesan lemah menghakis, tetapi bukan penghabluran, bukan pemolesian, media suhu tinggi kelikatan rendah. Digunakan secara meluas dalam petroleum, kimia, racun perosak, getah, gas asli dan industri lain.
◆ Parameter teknikal :
| Nombor model | YG60 | YG100 | YG150 | ||
| Diameter nominal | Φ 60 | Φ 100 | Φ 150 | ||
| Jenis pemasangan | Ⅰ | * | * | * | |
| Ⅱ | * | * | * | ||
| Ⅲ | * | / | / | ||
| Ⅳ | * | * | * | ||
| Ⅴ | * | / | / | ||
| Ⅵ | * | * | * | ||
| Thread penyambung | M14 × 1.5 | M20 × 1.5 | |||
| Kelas ketepatan | 2.5 | 1.6 | |||
| Julat pengukuran ( MPA ) | Kosong: -0.1 ~ 0 Tekanan vakum: -0.1 ~ 0.06 -0.1 ~ 0.15 -0.1 ~ 0.3 -0.1 ~ 0.5 -0.1 ~ 0.9 -0.1 ~ 1.5 -0.1 ~ 2.4 Tekanan : 0 ~ 0.1 0 ~ 0.16 0 ~ 0.25 0 ~ 0.4 0 ~ 0.6 0 ~ 1 0 ~ 1.6 0 ~ 2.5 0 ~ 4 0 ~ 6 0 ~ 10 0 ~ 16 0 ~ 25 0 ~ 40 0 ~ 60 0 ~ 100 、 0 ~ 160 、 0 ~ 250 | ||||
| Syarat Penggunaan Alam Sekitar | Temp : -40 ℃~ 70 ℃ | ||||
| Suhu | Pemasangan Langsung: ≤ 150 ℃ | ||||
| Suhu : ≤ 500 ℃ | |||||
| Kesalahan kesan suhu | Δ = ± (δ K Δ t ) Δ - Nilai yang dibenarkan bagi ralat nilai paparan apabila suhu ambien menyimpang dari 20 ℃ ± 5 ℃, dan nilai yang dibenarkan bagi ralat nilai paparan apabila suhu ambien menyimpang dari 20 ℃ ± 5 ℃. % δ - Nilai mutlak ralat intrinsik instrumen. % K - Koefisien kesan suhu dengan nilai 0.04%/° C Δ t -| Kemerosotan medium di tiub bourdon ℃ -25 | | ||||
| Penilaian Getaran | V · H · 3 | ||||
| Bahan tiub Borden | Ocr18ni12mo2ti ; SUS316 ; SUS316L | ||||
| Perumahan, bahan penyambung | 1cr18ni9ti ; SUS304 | ||||
| Kelas perlindungan | IP65 | ||||
| Piawaian pelaksanaan | GB/T 1226 | ||||
| Nota: 1. Benang bersama boleh disesuaikan mengikut keperluan pengguna. | |||||
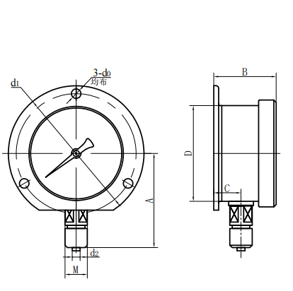
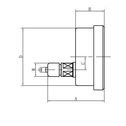
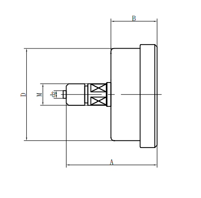
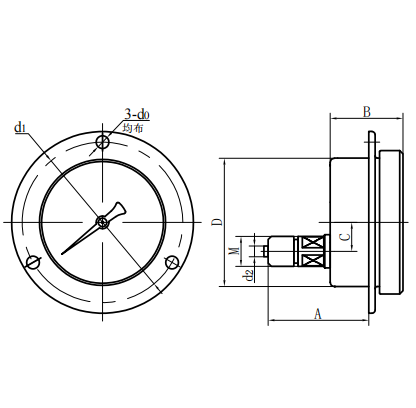
◆ Dimensi luaran:
| Jenis Langsung Radial (ⅰ) | Jenis langsung eksentrik paksi (ⅱ) |
| Jenis langsung konsentrik paksi (iii) | Jenis memasukkan eksentrik paksi (iv) |
| Jenis penyisipan konsentrik paksi (v) | Jenis cembung radial (vi) |
| Nombor model | Dimensi keseluruhan ( mm ) | |||||||
| A | B | C | D | d0 | d1 | d2 | M | |
| YG60 -Ⅰ | 56 | 33 | 11 | Φ 60 | / | / | Φ 5 | M14 × 1.5 |
| YG60 -Ⅱ | 61 | 32.5 | 18 | Φ 60 | / | / | Φ 5 | |
| YG60 -Ⅲ | 61 | 32.5 | / | Φ 60 | / | / | Φ 5 | M14 × 1.5 |
| YG60 -Ⅳ | 55 | 32.5 | 18 | Φ 60 | Φ 5 | Φ 75 | Φ 5 | |
| YG60 -Ⅴ | 55 | 32.5 | / | Φ 60 | Φ 5 | Φ 75 | Φ 5 | M14 × 1.5 |
| YG60 -Ⅵ | 56 | 33 | 11 | Φ 60 | Φ 5 | Φ 75 | Φ 5 | M14 × 1.5 |
| YG100 -Ⅰ | 90 | 48 | 15 | Φ 100 | / | / | Φ 6 | M20 × 1.5 |
| YG100 -Ⅱ | 83 | 44 | 34 | Φ 100 | / | / | Φ 6 | M20 × 1.5 |
| YG100 -Ⅳ | 68 | 44 | 34 | Φ 100 | Φ 6 | Φ 118 | Φ 6 | M20 × 1.5 |
| YG100 -Ⅵ | 90 | 48 | 15 | Φ 100 | Φ 6 | Φ 118 | Φ 6 | M20 × 1.5 |
| YG150 -Ⅰ | 117 | 51 | 16.5 | Φ 150 | / | / | Φ 6 | M20 × 1.5 |
| YG150 -Ⅱ | 92 | 52 | 55 | Φ 150 | / | / | Φ 6 | M20 × 1.5 |
| YG150 -Ⅳ | 69 | 52 | 55 | Φ 150 | Φ 6 | Φ 165 | Φ 6 | M20 × 1.5 |
| YG150 -Ⅵ | 117 | 53 | 28 | Φ 150 | Φ 6 | Φ 165 | Φ 6 | M20 × 1.5 |
















