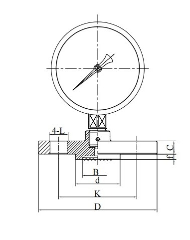
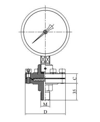
◆ Model: YTZ100, YTZ-150
◆ Permohonan: Instrumen jenis ini sesuai untuk mengukur tekanan cecair, gas atau wap tanpa bahaya letupan, tiada penghabluran, tiada pemejalan, dan tiada kesan menghakis pada aloi tembaga dan tembaga.
Diperbuat daripada keluli tahan karat, ia boleh digunakan untuk mengukur tekanan cecair, gas atau wap yang lemah menghakis, tetapi tidak meletup, mengkristal atau menguatkan.
◆ Sekiranya perlu membuat tolok tekanan jenis shockproof, ia boleh diisi dengan gliserin atau minyak silikon.


















